推薦產品
產品/專題
山美圓錐破和歐美某品牌圓錐破并駕齊驅,在韓國混凝土企業的骨料生產線共同擔任二破重任。【詳細】
推薦方案
物料
時產
我國進入大基建時代以來,重大工程項目數量劇增,對于砂石骨料的需求越來越大。砂石行業也呈現環保化、大型化、智能化等發展趨勢,高質量發展的訴求對砂石生產設備的環保、節能、高效、大產能、顆粒級配等方面提出了更高的要求。上海山美股份作為中國砂石設備行業的領軍企業,始終走在行業前端,可為客戶提供集設計、制造和服務于一體的大型化、智能化、綠色環保的砂石骨料生產工廠整體解決方案。
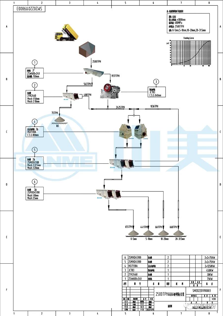
石灰石主要成分是碳酸鈣,具有抗化學性、抗酸、不易腐蝕,莫氏硬度3,屬于軟巖,是我國主要礦產資源之一,分布相當廣泛,巖性均一,易于開采加工,是一種用途很廣的建筑材料。本文以時產2500噸的石灰石骨料生產線為例,主要為您講述上海山美股份“顎破+反擊”工藝方案及特點。
生產能力:2500t/h
顎破進料口尺寸:1500x2100mm
抗壓強度:≤150Mpa

破碎篩分設備明細表
布局緊湊,便于設備檢查和維修,可避免因設備檢修不利造成的經濟損失;